Технические данные
Модель
Миньоны
Код
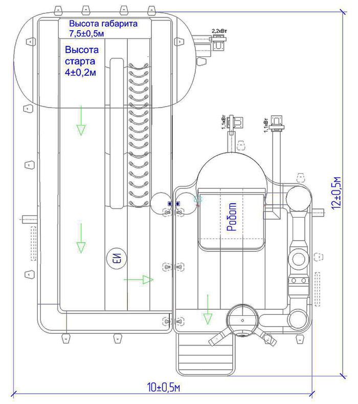
Стартовая высота, м
4,0
Длина, м
12,0
Ширина, м
10,0
Высота, м
7,5
Вес, кг
Комплектация
- Батутный комплекс
- Комплект вентиляторов
- Шнур крепежный
- Сертификаты
- Чехол упаковочный
- Ремнабор
- Руководство по эксплуатации




+38 099 795-14-00
Батутные аттракционы
Водные аттракционы
Мобильные здания







